Zobnik zaganjalnika BOSCH

Zobniki, sklopke, reduktorji

Šifra izdelka: GM 2241

Zobnik zaganjalnika BOSCH

Preberite več
Na zalogi
Cena z DDV:
53,29 €
Cena brez DDV:
43,68 €

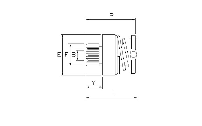
TEHNIČNE SPECIFIKACIJE
B = 12 E = 48 F = 26 Y = 33 L = 67
P = 67 Z = 9 Rot = S Sca = 10E  

 

OEM Zobniki Referenca
BOSCH 1006209753
 
OEM Zaganjalniki Referenca
BOSCH 0001106016

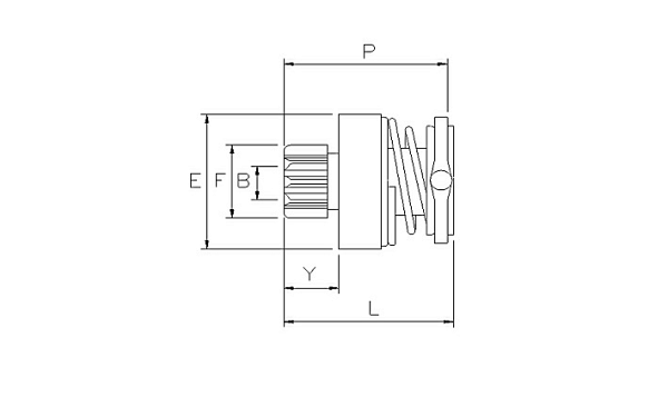
TEHNIČNE SPECIFIKACIJE
B = 12 E = 48 F = 26 Y = 33 L = 67
P = 67 Z = 9 Rot = S Sca = 10E  

 

OEM Zobniki Referenca
BOSCH 1006209753
 
OEM Zaganjalniki Referenca
BOSCH 0001106016