Zobnik zaganjalnika BOSCH

Zobniki, sklopke, reduktorji

Šifra izdelka: GM 2256

Zobnik zaganjalnika BOSCH

Preberite več
Ni na zalogi
Cena z DDV:
57,91 €
Cena brez DDV:
47,47 €

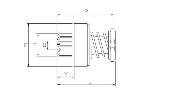
TEHNIČNE SPECIFIKACIJE
B =  14,30 E = 60 F = 38 Y =  22 L = 82
P = 81 Z = 10 Rot = D Sca =  10E  

 

OEM Zobniki Referenca
BOSCH 6033AD0306 
BOSCH 6033AD0243
 
OEM Zaganjalniki Referenca
BOSCH 0001231008

TEHNIČNE SPECIFIKACIJE
B =  14,30 E = 60 F = 38 Y =  22 L = 82
P = 81 Z = 10 Rot = D Sca =  10E  

 

OEM Zobniki Referenca
BOSCH 6033AD0306 
BOSCH 6033AD0243
 
OEM Zaganjalniki Referenca
BOSCH 0001231008