O nas
Servis
Kontakt
04 515 58 70
afg@siol.net
Prodajni program
Alternatorji
Alternatorji
Usmerniki
Regulatorji napetosti
Rotorji in statorji
Jermenice
Ostalo
Zaganjalniki
Zaganjalniki
Zobniki, sklopke, reduktorji
Stikala
Rotorji in navitja
Nosilci ščetk
Ostalo
DC motorji
Kompresorji klime
Akumulatorji
Akumulatorji TOPLA
Vžigalne tuljave, moduli, senzorji
Svetila in svetlobna oprema
Žarnice
Konektorji žarnic
Zadnje luči
Rotacijske luči
Označevalne luči
Delovne luči
Notranje luči
Ostalo
Ležaji
Releji in smerni avtomati
Releji
Ostali rezervni deli
Motorji brisalcev
Motorji pranja stekel
Metlice brisalcev
Ščetke motorja ventilatorja
Drobni material
Akumulatorske kleme
Vezice
Izolirni trakovi, izolacije PVC in skrčljive
Varovalke in nosilci varovalk
Stikala in opozorilne lučke
Vtikači in vtičnice za prikolice
Ostalo
Orodje
04 515 58 70
afg@siol.net
O nas
Servis
Kontakt
Alternatorji
Zaganjalniki
DC motorji
Kompresorji klime
Akumulatorji
Vžigalne tuljave, moduli, senzorji
Svetila in svetlobna oprema
Ležaji
Releji in smerni avtomati
Ostali rezervni deli
Drobni material
Ostalo
Orodje
Prijava uporabnika
E-pošta
Geslo
Zobnik zaganjalnika BOSCH
Domov
/
Prodajni program
/
Zaganjalniki
/
Zobniki, sklopke, reduktorji
/
Zobnik zaganjalnika BOSCH
Zobniki, sklopke, reduktorji
Šifra izdelka:
GM 3317
Zobnik zaganjalnika BOSCH
Preberite več
Prosimo izberite opcijo izdelka!
Na zalogi
Cena z DDV:
31,65 €
Cena brez DDV:
25,94 €
-
+
Pošlji povpraševanje
Imate vprašanje o tem produktu?
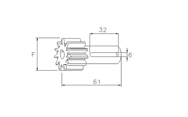
Tehnični podatki
Reference
Tehnična slika
TEHNIČNE SPECIFIKACIJE
B = 00
E = 00
F = 41
Y = 00
L = 00
P = 00
Z = 11
Rot = D
Sca = 00X
OEM Zobniki
Referenca
BOSCH
2006382018
BOSCH
2006382152
BOSCH
2006382156
BOSCH
2006383152
EFEL
10779
FIAT
8122126
FIAT
9004229
FIAT
9984246
ISKRA
15100152
OEM Zaganjalniki
Referenca
BOSCH
0001410019
BOSCH
0001410032
BOSCH
0001410034
BOSCH
0001410037
BOSCH
0001410044
BOSCH
0001410046
BOSCH
0001410050
BOSCH
0001410062
BOSCH
0001410063
BOSCH
0001410069
BOSCH
0001410074
BOSCH
0001410077
BOSCH
0001410087
BOSCH
0001410098
BOSCH
0001410102
BOSCH
0001410106
BOSCH
0001410111
BOSCH
0001410115
BOSCH
0001411005
BOSCH
0001411010
BOSCH
0001411012
BOSCH
0001411013
BOSCH
0001411015
BOSCH
0001411016
BOSCH
0001411036
BOSCH
0001413018
BOSCH
0001414008
BOSCH
0001414019
BOSCH
0001415008
BOSCH
0001415009
BOSCH
0001415011
BOSCH
0001415013
BOSCH
0001415017
BOSCH
0001416003
BOSCH
0001416005
BOSCH
0001416006
BOSCH
0001416007
BOSCH
0001416008
BOSCH
0001416009
BOSCH
0001416011
BOSCH
0001416012
BOSCH
0001416030
BOSCH
0001416031
BOSCH
0001416032
BOSCH
0001416033
BOSCH
0001416034
BOSCH
0001416035
BOSCH
0001416036
BOSCH
0001416039
BOSCH
0001416048
BOSCH
0001416049
BOSCH
0001416050
BOSCH
0001416053
BOSCH
0001416058
BOSCH
0001416062
BOSCH
0001416067
BOSCH
0001416068
BOSCH
0001416069
BOSCH
0001416070
BOSCH
0001416071
BOSCH
0001416075
BOSCH
0001416076
BOSCH
0001417002
BOSCH
0001417016
BOSCH
0001417022
BOSCH
0001417023
BOSCH
0001417024
BOSCH
0001417025
BOSCH
0001417033
BOSCH
0001417035
BOSCH
0001417042
BOSCH
0001417043
BOSCH
0001417044
BOSCH
0001417045
BOSCH
0001417047
BOSCH
0001417048
BOSCH
0001417054
BOSCH
0001417055
BOSCH
0001417056
BOSCH
0001417060
BOSCH
0001417066
BOSCH
0001417068
BOSCH
0001417071
BOSCH
0001417072
BOSCH
0001418010
FIAT
61227993
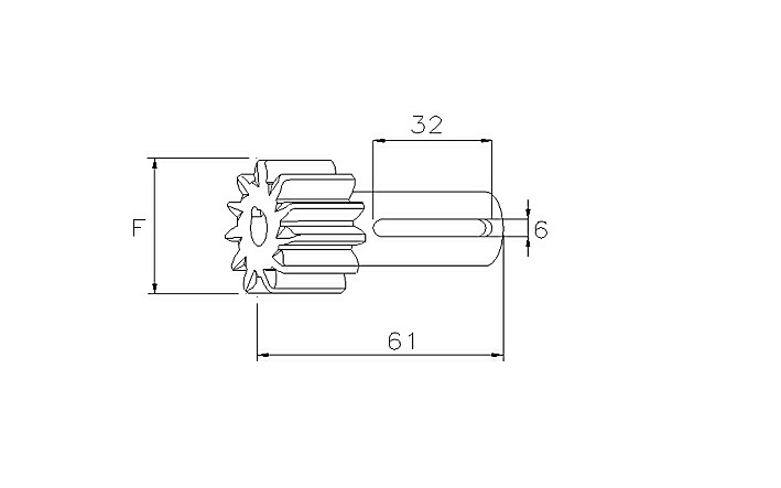
TEHNIČNE SPECIFIKACIJE
B = 00
E = 00
F = 41
Y = 00
L = 00
P = 00
Z = 11
Rot = D
Sca = 00X
OEM Zobniki
Referenca
BOSCH
2006382018
BOSCH
2006382152
BOSCH
2006382156
BOSCH
2006383152
EFEL
10779
FIAT
8122126
FIAT
9004229
FIAT
9984246
ISKRA
15100152
OEM Zaganjalniki
Referenca
BOSCH
0001410019
BOSCH
0001410032
BOSCH
0001410034
BOSCH
0001410037
BOSCH
0001410044
BOSCH
0001410046
BOSCH
0001410050
BOSCH
0001410062
BOSCH
0001410063
BOSCH
0001410069
BOSCH
0001410074
BOSCH
0001410077
BOSCH
0001410087
BOSCH
0001410098
BOSCH
0001410102
BOSCH
0001410106
BOSCH
0001410111
BOSCH
0001410115
BOSCH
0001411005
BOSCH
0001411010
BOSCH
0001411012
BOSCH
0001411013
BOSCH
0001411015
BOSCH
0001411016
BOSCH
0001411036
BOSCH
0001413018
BOSCH
0001414008
BOSCH
0001414019
BOSCH
0001415008
BOSCH
0001415009
BOSCH
0001415011
BOSCH
0001415013
BOSCH
0001415017
BOSCH
0001416003
BOSCH
0001416005
BOSCH
0001416006
BOSCH
0001416007
BOSCH
0001416008
BOSCH
0001416009
BOSCH
0001416011
BOSCH
0001416012
BOSCH
0001416030
BOSCH
0001416031
BOSCH
0001416032
BOSCH
0001416033
BOSCH
0001416034
BOSCH
0001416035
BOSCH
0001416036
BOSCH
0001416039
BOSCH
0001416048
BOSCH
0001416049
BOSCH
0001416050
BOSCH
0001416053
BOSCH
0001416058
BOSCH
0001416062
BOSCH
0001416067
BOSCH
0001416068
BOSCH
0001416069
BOSCH
0001416070
BOSCH
0001416071
BOSCH
0001416075
BOSCH
0001416076
BOSCH
0001417002
BOSCH
0001417016
BOSCH
0001417022
BOSCH
0001417023
BOSCH
0001417024
BOSCH
0001417025
BOSCH
0001417033
BOSCH
0001417035
BOSCH
0001417042
BOSCH
0001417043
BOSCH
0001417044
BOSCH
0001417045
BOSCH
0001417047
BOSCH
0001417048
BOSCH
0001417054
BOSCH
0001417055
BOSCH
0001417056
BOSCH
0001417060
BOSCH
0001417066
BOSCH
0001417068
BOSCH
0001417071
BOSCH
0001417072
BOSCH
0001418010
FIAT
61227993
Sorodni izdelki
Zobniki, sklopke, reduktorji
Šifra izdelka:
GM 2346
Zobnik zaganjalnika MITSUBISHI
Cena:
59,27 €
59,27 €
Podrobneje
Zobniki, sklopke, reduktorji
Šifra izdelka:
IA 5033
Reduktor zag. VALEO D6RA -13 zob
Cena:
44,03 €
44,03 €
Podrobneje
Zobniki, sklopke, reduktorji
Šifra izdelka:
CA 231967
Zobnik zaganjalnika FORD
Cena:
33,34 €
33,34 €
Podrobneje
Zobniki, sklopke, reduktorji
Šifra izdelka:
GM 2094
Zobnik zaganjalnika MAGNETI MARELLI
Cena:
44,63 €
44,63 €
Podrobneje
Zobniki, sklopke, reduktorji
Šifra izdelka:
GM 2354
Zobnik zaganjalnika BOSCH
Cena:
49,11 €
49,11 €
Podrobneje
Zobniki, sklopke, reduktorji
Šifra izdelka:
GM 1806
Reduktor zaganjalnika BOSCH
Cena:
67,54 €
67,54 €
Podrobneje
Zobniki, sklopke, reduktorji
Šifra izdelka:
GM 1941
Zobnik zaganjalnika BOSCH
Cena:
36,53 €
36,53 €
Podrobneje
Zobniki, sklopke, reduktorji
Šifra izdelka:
GM SD-5203
Zobnik zaganjalnika NIPPONDENSO
Cena:
26,60 €
26,60 €
Podrobneje
Zobniki, sklopke, reduktorji
Šifra izdelka:
CA 139953
Zobnik zaganjalnika MANDO
Cena:
16,37 €
16,37 €
Podrobneje
Zobniki, sklopke, reduktorji
Šifra izdelka:
GM SD-2019
Reduktor zag. BOSCH
Cena:
66,40 €
66,40 €
Podrobneje
Zobniki, sklopke, reduktorji
Šifra izdelka:
GM SD-2005
Reduktor zag. BOSCH
Cena:
80,52 €
80,52 €
Podrobneje
Zobniki, sklopke, reduktorji
Šifra izdelka:
GM 2220
Zobnik zaganjalnika DELCO
Cena:
99,22 €
99,22 €
Podrobneje
Copyright © 2023 - 2026 AFG, d.o.o., Vse pravice pridržane.
izdelava spletne trgovine