Zobnik zaganjalnika BOSCH

Zobniki, sklopke, reduktorji

Šifra izdelka: GM 1641

Zobnik zaganjalnika BOSCH

Preberite več
Na zalogi
Cena z DDV:
35,55 €
Cena brez DDV:
29,14 €

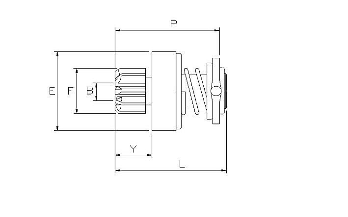
TEHNIČNE SPECIFIKACIJE
B = 12 E = 54 F = 30 Y = 15 L = 62
P = 54 Z = 11 Rot = D Sca = 10E  

 

OEM Zobniki Referenca
BOSCH 9003336206
   
   
   
   
   
   
 
OEM Zaganjalniki Referenca
BOSCH 0001218007
BOSCH 0001218023
BOSCH 0001218125
BOSCH 0001218126
BOSCH 0001218175
BOSCH 0001218725
BOSCH 0001218775

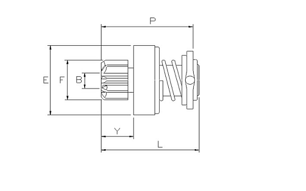
TEHNIČNE SPECIFIKACIJE
B = 12 E = 54 F = 30 Y = 15 L = 62
P = 54 Z = 11 Rot = D Sca = 10E  

 

OEM Zobniki Referenca
BOSCH 9003336206
   
   
   
   
   
   
 
OEM Zaganjalniki Referenca
BOSCH 0001218007
BOSCH 0001218023
BOSCH 0001218125
BOSCH 0001218126
BOSCH 0001218175
BOSCH 0001218725
BOSCH 0001218775