O nas
Servis
Kontakt
04 515 58 70
afg@siol.net
Prodajni program
Alternatorji
Alternatorji
Usmerniki
Regulatorji napetosti
Rotorji in statorji
Jermenice
Ostalo
Zaganjalniki
Zaganjalniki
Zobniki, sklopke, reduktorji
Stikala
Rotorji in navitja
Nosilci ščetk
Ostalo
DC motorji
Kompresorji klime
Akumulatorji
Akumulatorji TOPLA
Vžigalne tuljave, moduli, senzorji
Svetila in svetlobna oprema
Žarnice
Konektorji žarnic
Zadnje luči
Rotacijske luči
Označevalne luči
Delovne luči
Notranje luči
Ostalo
Ležaji
Releji in smerni avtomati
Releji
Ostali rezervni deli
Motorji brisalcev
Motorji pranja stekel
Metlice brisalcev
Ščetke motorja ventilatorja
Drobni material
Akumulatorske kleme
Vezice
Izolirni trakovi, izolacije PVC in skrčljive
Varovalke in nosilci varovalk
Stikala in opozorilne lučke
Vtikači in vtičnice za prikolice
Ostalo
Orodje
04 515 58 70
afg@siol.net
O nas
Servis
Kontakt
Alternatorji
Zaganjalniki
DC motorji
Kompresorji klime
Akumulatorji
Vžigalne tuljave, moduli, senzorji
Svetila in svetlobna oprema
Ležaji
Releji in smerni avtomati
Ostali rezervni deli
Drobni material
Ostalo
Orodje
Prijava uporabnika
E-pošta
Geslo
Zobnik zaganjalnika BOSCH
Domov
/
Prodajni program
/
Zaganjalniki
/
Zobniki, sklopke, reduktorji
/
Zobnik zaganjalnika BOSCH
Zobniki, sklopke, reduktorji
Šifra izdelka:
GM 1989
Zobnik zaganjalnika BOSCH
Preberite več
Prosimo izberite opcijo izdelka!
Na zalogi
Cena z DDV:
35,72 €
Cena brez DDV:
29,28 €
-
+
Pošlji povpraševanje
Imate vprašanje o tem produktu?
Tehnični podatki
Reference
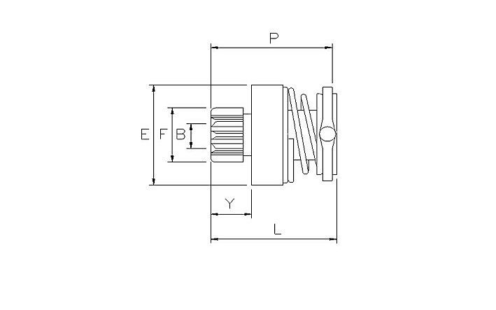
Tehnična slika
TEHNIČNE SPECIFIKACIJE
B = 12
E = 48
F = 26
Y = 15
L = 49
P = 49
Z = 9
Rot = D
Sca = 10E
OEM Zobniki
Referenca
BOSCH
1006209638
BOSCH
1006209667
BOSCH
1006209672
BOSCH
1006209677
BOSCH
1006209690
BOSCH
1006209787
BOSCH
1006209815
BOSCH
1006209937
BOSCH
1006209618
FIAT
9947831
OEM Zaganjalniki
Referenca
BOSCH
0001107037
BOSCH
0001107048
BOSCH
0001107054
BOSCH
0001107055
BOSCH
0001107067
BOSCH
0001107068
BOSCH
0001107069
BOSCH
0001107072
BOSCH
0001107073
BOSCH
0001107074
BOSCH
0001107076
BOSCH
0001107094
BOSCH
0001107095
BOSCH
0001107096
BOSCH
0001108162
BOSCH
0001108166
BOSCH
0001108167
BOSCH
0001108172
BOSCH
0001108173
BOSCH
0001108174
BOSCH
0001108175
BOSCH
0001108178
BOSCH
0001108188
BOSCH
0001108189
BOSCH
0001108199
BOSCH
0001108204
BOSCH
0001109018
BOSCH
0001109064
BOSCH
0001109065
BOSCH
0001115002
BOSCH
0001115007
BOSCH
0001115012
BOSCH
0001115015
BOSCH
0001115020
BOSCH
0001115024
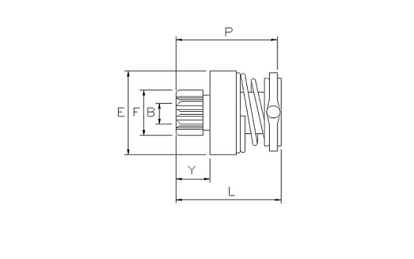
TEHNIČNE SPECIFIKACIJE
B = 12
E = 48
F = 26
Y = 15
L = 49
P = 49
Z = 9
Rot = D
Sca = 10E
OEM Zobniki
Referenca
BOSCH
1006209638
BOSCH
1006209667
BOSCH
1006209672
BOSCH
1006209677
BOSCH
1006209690
BOSCH
1006209787
BOSCH
1006209815
BOSCH
1006209937
BOSCH
1006209618
FIAT
9947831
OEM Zaganjalniki
Referenca
BOSCH
0001107037
BOSCH
0001107048
BOSCH
0001107054
BOSCH
0001107055
BOSCH
0001107067
BOSCH
0001107068
BOSCH
0001107069
BOSCH
0001107072
BOSCH
0001107073
BOSCH
0001107074
BOSCH
0001107076
BOSCH
0001107094
BOSCH
0001107095
BOSCH
0001107096
BOSCH
0001108162
BOSCH
0001108166
BOSCH
0001108167
BOSCH
0001108172
BOSCH
0001108173
BOSCH
0001108174
BOSCH
0001108175
BOSCH
0001108178
BOSCH
0001108188
BOSCH
0001108189
BOSCH
0001108199
BOSCH
0001108204
BOSCH
0001109018
BOSCH
0001109064
BOSCH
0001109065
BOSCH
0001115002
BOSCH
0001115007
BOSCH
0001115012
BOSCH
0001115015
BOSCH
0001115020
BOSCH
0001115024
Sorodni izdelki
Zobniki, sklopke, reduktorji
Šifra izdelka:
GM 1033
Zobnik zaganjalnika BOSCH
Cena:
76,32 €
76,32 €
Podrobneje
Zobniki, sklopke, reduktorji
Šifra izdelka:
GM 2207
Zobnik zaganjalnika VALEO
Cena:
50,14 €
50,14 €
Podrobneje
Zobniki, sklopke, reduktorji
Šifra izdelka:
GM 2094
Zobnik zaganjalnika MAGNETI MARELLI
Cena:
44,63 €
44,63 €
Podrobneje
Zobniki, sklopke, reduktorji
Šifra izdelka:
GM 4206
Venec reduktorja BOSCH
Cena:
13,73 €
13,73 €
Podrobneje
Zobniki, sklopke, reduktorji
Šifra izdelka:
GM 1625
Zobnik zaganjalnika VALEO
Cena:
39,20 €
39,20 €
Podrobneje
Zobniki, sklopke, reduktorji
Šifra izdelka:
GM 2160
Zobnik zaganjalnika NIPPONDENSO
Cena:
49,47 €
49,47 €
Podrobneje
Zobniki, sklopke, reduktorji
Šifra izdelka:
GM 3100
Zobnik zaganjalnika MAGNETI MARELLI
Cena:
66,15 €
66,15 €
Podrobneje
Zobniki, sklopke, reduktorji
Šifra izdelka:
GM SD-3238
Zobnik zaganjalnika MITSUBISHI
Cena:
35,84 €
35,84 €
Podrobneje
Zobniki, sklopke, reduktorji
Šifra izdelka:
CA 231966
Zobnik zaganjalnika DELCO
Cena:
33,34 €
33,34 €
Podrobneje
Zobniki, sklopke, reduktorji
Šifra izdelka:
CA 232912
Venec reduktorja MAG.MARELLI
Cena:
11,19 €
11,19 €
Podrobneje
Zobniki, sklopke, reduktorji
Šifra izdelka:
GM 2641
Zobnik zaganjalnika MAGNETI MARELLI
Cena:
78,45 €
78,45 €
Podrobneje
Zobniki, sklopke, reduktorji
Šifra izdelka:
GM 1942
Reduktor zag. BOSCH
Cena:
64,87 €
64,87 €
Podrobneje
Copyright © 2023 - 2026 AFG, d.o.o., Vse pravice pridržane.
izdelava spletne trgovine