O nas
Servis
Kontakt
04 515 58 70
afg@siol.net
Prodajni program
Alternatorji
Alternatorji
Usmerniki
Regulatorji napetosti
Rotorji in statorji
Jermenice
Ostalo
Zaganjalniki
Zaganjalniki
Zobniki, sklopke, reduktorji
Stikala
Rotorji in navitja
Nosilci ščetk
Ostalo
DC motorji
Kompresorji klime
Akumulatorji
Akumulatorji TOPLA
Vžigalne tuljave, moduli, senzorji
Svetila in svetlobna oprema
Žarnice
Konektorji žarnic
Zadnje luči
Rotacijske luči
Označevalne luči
Delovne luči
Notranje luči
Ostalo
Ležaji
Releji in smerni avtomati
Releji
Ostali rezervni deli
Motorji brisalcev
Motorji pranja stekel
Metlice brisalcev
Ščetke motorja ventilatorja
Drobni material
Akumulatorske kleme
Vezice
Izolirni trakovi, izolacije PVC in skrčljive
Varovalke in nosilci varovalk
Stikala in opozorilne lučke
Vtikači in vtičnice za prikolice
Ostalo
Orodje
04 515 58 70
afg@siol.net
O nas
Servis
Kontakt
Alternatorji
Zaganjalniki
DC motorji
Kompresorji klime
Akumulatorji
Vžigalne tuljave, moduli, senzorji
Svetila in svetlobna oprema
Ležaji
Releji in smerni avtomati
Ostali rezervni deli
Drobni material
Ostalo
Orodje
Prijava uporabnika
E-pošta
Geslo
Zobnik zaganjalnika MAGNETI MARELLI
Domov
/
Prodajni program
/
Zaganjalniki
/
Zobniki, sklopke, reduktorji
/
Zobnik zaganjalnika MAGNETI MARELLI
Zobniki, sklopke, reduktorji
Šifra izdelka:
GM 2674
Zobnik zaganjalnika MAGNETI MARELLI
Preberite več
Prosimo izberite opcijo izdelka!
Na zalogi
Cena z DDV:
33,10 €
Cena brez DDV:
27,13 €
-
+
Pošlji povpraševanje
Imate vprašanje o tem produktu?
Tehnični podatki
Reference
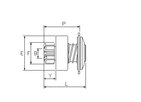
Tehnična slika
TEHNIČNE SPECIFIKACIJE
B = 14
E = 50
F = 29
Y = 15
L = 67
P = 54
Z = 11
Rot = D
Sca = 12E
OEM Zobniki
Referenca
FEMSA
1706110
FEMSA
9001336219
FIAT
4243124
FIAT
4475122
FIAT
4154293
MARELLI
74866611
MARELLI
74867401
MARELLI
74874241
MARELLI
85540271
MARELLI
85540751
U.R.S.S.
21013708620
U.R.S.S.
CT2213708600
OEM Zaganjalniki
Referenca
FEMSA
MTD 1214
FEMSA
MTD 1219
FEMSA
MTD 129
FEMSA
MTD 12H8
FEMSA
MTD 12P6
FEMSA
MTD 12V9
FIAT
4156064
FIAT
4162784
FIAT
4206634
FIAT
4285916
FIAT
4294494
FIAT
4294495
FIAT
4474599
FIAT
4474714
FIAT
4474746
FIAT
4474747
FIAT
4474762
FIAT
4474976
FIAT
4474979
FIAT
4475025
FIAT
4475130
MARELLI
63222400
MARELLI
63222405
MARELLI
63222408
MARELLI
63222409
MARELLI
63222430
MARELLI
63222435
MARELLI
63222438
MARELLI
63222439
MARELLI
63222501
MARELLI
63222502
MARELLI
63222531
MARELLI
63222532
MARELLI
63222536
MARELLI
63222602
MARELLI
63222605
MARELLI
63222632
MARELLI
63222635
MARELLI
63222636
MARELLI
63222700
MARELLI
63222701
MARELLI
63222706
MARELLI
63222730
MARELLI
63222731
MARELLI
63222736
U.R.S.S.
21013708000
U.R.S.S.
CT2213708000
TEHNIČNE SPECIFIKACIJE
B = 14
E = 50
F = 29
Y = 15
L = 67
P = 54
Z = 11
Rot = D
Sca = 12E
OEM Zobniki
Referenca
FEMSA
1706110
FEMSA
9001336219
FIAT
4243124
FIAT
4475122
FIAT
4154293
MARELLI
74866611
MARELLI
74867401
MARELLI
74874241
MARELLI
85540271
MARELLI
85540751
U.R.S.S.
21013708620
U.R.S.S.
CT2213708600
OEM Zaganjalniki
Referenca
FEMSA
MTD 1214
FEMSA
MTD 1219
FEMSA
MTD 129
FEMSA
MTD 12H8
FEMSA
MTD 12P6
FEMSA
MTD 12V9
FIAT
4156064
FIAT
4162784
FIAT
4206634
FIAT
4285916
FIAT
4294494
FIAT
4294495
FIAT
4474599
FIAT
4474714
FIAT
4474746
FIAT
4474747
FIAT
4474762
FIAT
4474976
FIAT
4474979
FIAT
4475025
FIAT
4475130
MARELLI
63222400
MARELLI
63222405
MARELLI
63222408
MARELLI
63222409
MARELLI
63222430
MARELLI
63222435
MARELLI
63222438
MARELLI
63222439
MARELLI
63222501
MARELLI
63222502
MARELLI
63222531
MARELLI
63222532
MARELLI
63222536
MARELLI
63222602
MARELLI
63222605
MARELLI
63222632
MARELLI
63222635
MARELLI
63222636
MARELLI
63222700
MARELLI
63222701
MARELLI
63222706
MARELLI
63222730
MARELLI
63222731
MARELLI
63222736
U.R.S.S.
21013708000
U.R.S.S.
CT2213708000
Sorodni izdelki
Zobniki, sklopke, reduktorji
Šifra izdelka:
GM 1910
Zobnik zaganjalnika LUCAS
Cena:
33,34 €
33,34 €
Podrobneje
Zobniki, sklopke, reduktorji
Šifra izdelka:
GM 1714
Zobnik zaganjalnika MITSUBISHI
Cena:
29,15 €
29,15 €
Podrobneje
Zobniki, sklopke, reduktorji
Šifra izdelka:
GM 1974
Zobnik zaganjalnika BOSCH
Cena:
53,58 €
53,58 €
Podrobneje
Zobniki, sklopke, reduktorji
Šifra izdelka:
GM 3315
Zobnik zaganjalnika BOSCH
Cena:
30,34 €
30,34 €
Podrobneje
Zobniki, sklopke, reduktorji
Šifra izdelka:
GM 2014
Zobnik zaganjalnika LUCAS
Cena:
57,11 €
57,11 €
Podrobneje
Zobniki, sklopke, reduktorji
Šifra izdelka:
GM 2267
Zobnik zaganjalnika BOSCH
Cena:
43,87 €
43,87 €
Podrobneje
Zobniki, sklopke, reduktorji
Šifra izdelka:
GM 2233
Zobnik zaganjalnika BOSCH
Cena:
57,91 €
57,91 €
Podrobneje
Zobniki, sklopke, reduktorji
Šifra izdelka:
ZR-2254
Venec reduktorja BOSCH
Cena:
11,20 €
11,20 €
Podrobneje
Zobniki, sklopke, reduktorji
Šifra izdelka:
GM SD-2075
Reduktor zag. BOSCH
Cena:
72,81 €
72,81 €
Podrobneje
Zobniki, sklopke, reduktorji
Šifra izdelka:
GM 2295
Zobnik zaganjalnika BOSCH
Cena:
46,34 €
46,34 €
Podrobneje
Zobniki, sklopke, reduktorji
Šifra izdelka:
GM 2296
Zobnik zaganjalnika BOSCH
Cena:
59,78 €
59,78 €
Podrobneje
Zobniki, sklopke, reduktorji
Šifra izdelka:
CA 139953
Zobnik zaganjalnika MANDO
Cena:
16,37 €
16,37 €
Podrobneje
Copyright © 2023 - 2026 AFG, d.o.o., Vse pravice pridržane.
izdelava spletne trgovine