Zobnik zaganjalnika NIPPONDENSO

Zobnik zaganjalnika NIPPONDENSO

Zobniki, sklopke, reduktorji

Šifra izdelka: GM 2272

Zobnik zaganjalnika NIPPONDENSO

Preberite več
Na zalogi
Cena z DDV:
19,52 €
Cena brez DDV:
16,00 €

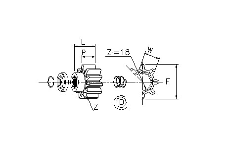
TEHNIČNE SPECIFIKACIJE
B = 00 E = 00 F =  38 Y = 00 L = 23,50
P = 16,60 Z =  10 Rot = D Sca = 00X  

 

OEM Zobniki Referenca
NIPPON 028371-7060
NIPPON 028099-3910
TOYOTA  
 
OEM Zaganjalniki Referenca
TOYOTA 28100-54380

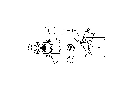
TEHNIČNE SPECIFIKACIJE
B = 00 E = 00 F =  38 Y = 00 L = 23,50
P = 16,60 Z =  10 Rot = D Sca = 00X  

 

OEM Zobniki Referenca
NIPPON 028371-7060
NIPPON 028099-3910
TOYOTA  
 
OEM Zaganjalniki Referenca
TOYOTA 28100-54380