Zobnik zaganjalnika BOSCH

Zobniki, sklopke, reduktorji

Šifra izdelka: GM 3055

Zobnik zaganjalnika BOSCH

Preberite več
Na zalogi
Cena z DDV:
44,63 €
Cena brez DDV:
36,58 €

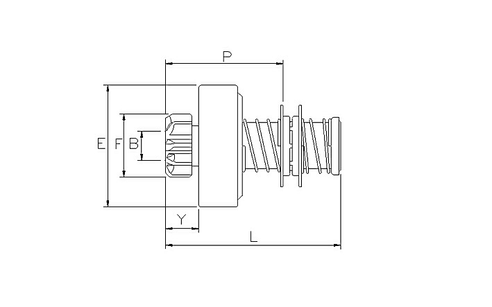
TEHNIČNE SPECIFIKACIJE
B = 14,30 E = 59 F = 41 Y = 19 L = 90
P = 63 Z = 11 Rot = D Sca = 10E  

 

OEM Zobniki Referenca
BOSCH 2006209217
BOSCH 2006209028
 
OEM Zaganjalniki Referenca
BOSCH 0001354081
BOSCH 0001354083
BOSCH 0001354090
BOSCH 0001354108
BOSCH 0001354113
BOSCH 0001355020

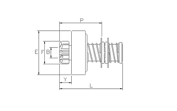
TEHNIČNE SPECIFIKACIJE
B = 14,30 E = 59 F = 41 Y = 19 L = 90
P = 63 Z = 11 Rot = D Sca = 10E  

 

OEM Zobniki Referenca
BOSCH 2006209217
BOSCH 2006209028
 
OEM Zaganjalniki Referenca
BOSCH 0001354081
BOSCH 0001354083
BOSCH 0001354090
BOSCH 0001354108
BOSCH 0001354113
BOSCH 0001355020